找回密碼
 立即註冊
搜索
查看: 10314|回復: 7

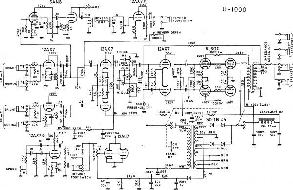
6L6 實體制作 線路圖

[複製鏈接]
發表於 3-12-2009 11:36:51 | 顯示全部樓層 |閱讀模式
6L6  實體制作 線路圖    點擊看大圖
 樓主| 發表於 4-12-2009 00:31:31 | 顯示全部樓層
6L6
 樓主| 發表於 22-4-2010 14:29:17 | 顯示全部樓層
1
 樓主| 發表於 23-4-2010 09:20:44 | 顯示全部樓層
1
 樓主| 發表於 24-4-2010 00:06:15 | 顯示全部樓層
1
 樓主| 發表於 25-4-2010 00:05:27 | 顯示全部樓層
1
 樓主| 發表於 26-4-2010 01:55:12 | 顯示全部樓層
1
6L6PP Schematic-0018.jpg
 樓主| 發表於 25-5-2010 21:14:38 | 顯示全部樓層
6L6-001
u1000.gif
您需要登錄後才可以回帖 登錄 | 立即註冊

本版積分規則

中華業餘無線電研究會 - 業餘無線電考試(筆試)班

手機版|小黑屋|存檔|VR2GY 網站

GMT+8, 16-4-2026 17:13 , Processed in 0.031626 second(s), 21 queries , Gzip On.

本討論區基於 Discuz! X3.5

版權所有 © 2005-2026 VR2GY.com,保留一切權利


重要聲明:本討論區是以即時上載留言的方式運作,VR2GY.com 對所有留言的真實性、完整性及立場等,不負任何法律責任。而一切留言之言論只代表留言者個人意見,並非本網站之立場,讀者及用戶不應信賴內容,並應自行判斷內容之真實性。於有關情形下,讀者及用戶應尋求專業意見(如涉及醫療、法律或投資等問題)。 由於本討論區受到「即時上載留言」運作方式所規限,故不能完全監察所有留言,若讀者及用戶發現有留言出現問題,請聯絡我們。VR2GY.com 有權刪除任何留言及拒絕任何人士上載留言(刪除前或不會作事先警告及通知),同時亦有不刪除留言的權利,如有任何爭議,管理員擁有最終的詮釋權。用戶切勿撰寫粗言穢語、誹謗、渲染色情暴力或人身攻擊的言論,敬請自律。本網站保留一切法律權利。

快速回復 返回頂部 返回列表