找回密碼
 立即註冊
搜索
查看: 16351|回復: 28

DIY 14兆 電報發射機(用易購零件)-- 0.1W 功率輸出

[複製鏈接]
發表於 7-10-2010 02:26:42 | 顯示全部樓層 |閱讀模式
555 的側音 產生器
555-01.jpg.thumb.jpg
發表於 8-10-2010 15:40:58 | 顯示全部樓層
本帖最後由 VR2UIO 於 15-10-2010 01:22 PM 編輯

側音產生器 - Side Tone Circuit

Side_Tone_01.jpg
發表於 15-10-2010 13:19:54 | 顯示全部樓層
本帖最後由 VR2UIO 於 15-10-2010 01:22 PM 編輯

側音產生器 - Side Tone Layout

Side_Tone_02.jpg
發表於 21-10-2010 14:38:53 | 顯示全部樓層
本帖最後由 VR2UIO 於 26-10-2010 02:40 PM 編輯

側音產生器
Side_Tone_Hardware_01.jpg

Top View
Side_Tone_Hardware_02.jpg

Signal on test point "A"
Side_Tone_Hardware_03.jpg
發表於 26-10-2010 14:36:07 | 顯示全部樓層
本帖最後由 VR2UIO 於 26-10-2010 02:39 PM 編輯

Side Tone Circuit

Modification
Side_Tone_Hardware_04.jpg

Signal at point "A" after modification
Side_Tone_Hardware_05.jpg
 樓主| 發表於 27-10-2010 01:21:56 | 顯示全部樓層
石英 晶體 振盪器
0010.jpg
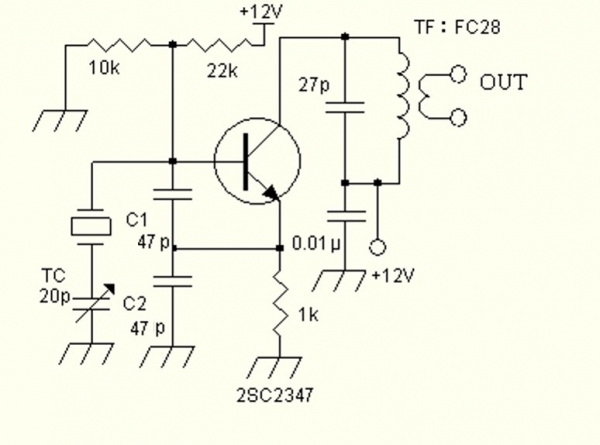
 樓主| 發表於 27-10-2010 09:18:16 | 顯示全部樓層
石英 晶體 振盪器
0011.jpg
 樓主| 發表於 1-11-2010 12:19:35 | 顯示全部樓層
Colpitts振盪器

Colpitts(考畢子 或 考畢茲)振盪器 是以發明者 Edwin H. Colpitts 命名的電子振盪器。Colpitts振盪器 可以看成是 Hartley振盪器 的對偶。在 Colpitts振盪器 中,利用兩個電容和兩個電感決定振盪頻率。而 Hartley振盪器 是使用兩個電感(或是用一個抽頭線圈 (Tapped Coil tapped) 電感)和一個電容(此電容可以用變容二極管(varactor)調整對應電容值)。1
001-0010   .jpg
 樓主| 發表於 1-11-2010 14:54:54 | 顯示全部樓層
TONE PCB
0009- tone pcb.jpg
 樓主| 發表於 2-11-2010 12:01:48 | 顯示全部樓層
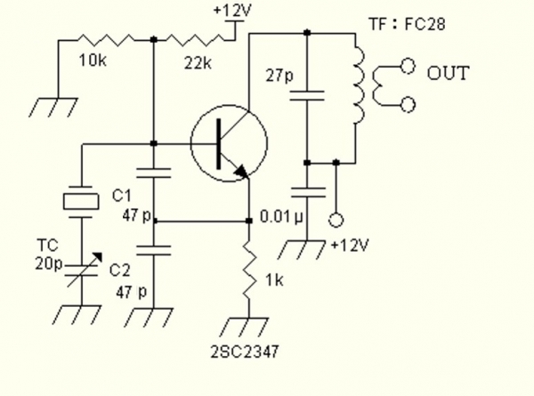
石英 晶體 振盪器
0009- 14mhz-.jpg
您需要登錄後才可以回帖 登錄 | 立即註冊

本版積分規則

中華業餘無線電研究會 - 業餘無線電考試(筆試)班

手機版|小黑屋|存檔|VR2GY 網站

GMT+8, 18-4-2026 13:14 , Processed in 0.187550 second(s), 20 queries , Gzip On.

本討論區基於 Discuz! X3.5

版權所有 © 2005-2026 VR2GY.com,保留一切權利


重要聲明:本討論區是以即時上載留言的方式運作,VR2GY.com 對所有留言的真實性、完整性及立場等,不負任何法律責任。而一切留言之言論只代表留言者個人意見,並非本網站之立場,讀者及用戶不應信賴內容,並應自行判斷內容之真實性。於有關情形下,讀者及用戶應尋求專業意見(如涉及醫療、法律或投資等問題)。 由於本討論區受到「即時上載留言」運作方式所規限,故不能完全監察所有留言,若讀者及用戶發現有留言出現問題,請聯絡我們。VR2GY.com 有權刪除任何留言及拒絕任何人士上載留言(刪除前或不會作事先警告及通知),同時亦有不刪除留言的權利,如有任何爭議,管理員擁有最終的詮釋權。用戶切勿撰寫粗言穢語、誹謗、渲染色情暴力或人身攻擊的言論,敬請自律。本網站保留一切法律權利。

快速回復 返回頂部 返回列表