找回密碼
 立即註冊
搜索
樓主: VR2GY

27 兆 CB 技術講座

[複製鏈接]
 樓主| 發表於 31-3-2006 01:24:55 | 顯示全部樓層

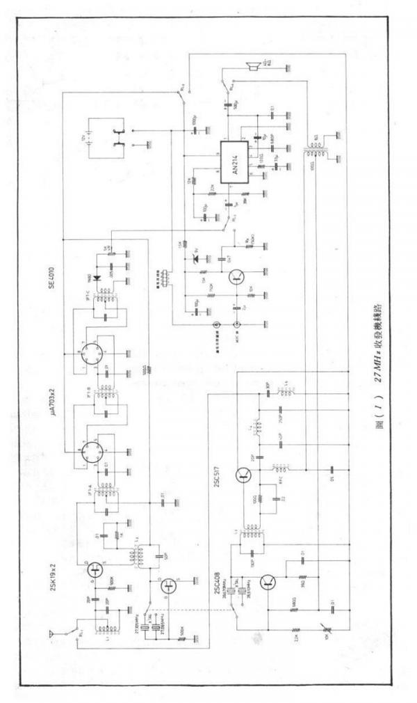
27 trx 04-02

27 trx 04-02
27 trx 04-02-.jpg
 樓主| 發表於 31-3-2006 14:29:52 | 顯示全部樓層

27 trx 04-04-

27 trx 04-04-
27 trx 04-04-.jpg
 樓主| 發表於 5-4-2006 07:31:46 | 顯示全部樓層

27 trx 05-01-

27 trx 05-01-
27 trx 05-01-.jpg
 樓主| 發表於 7-4-2006 00:27:52 | 顯示全部樓層

27 trx 06-01

27 trx 06-01
27 trx 06-01.jpg
 樓主| 發表於 7-4-2006 18:15:48 | 顯示全部樓層

27 trx 07-01-

27 trx 07-01-
27 trx 07-01-.jpg
 樓主| 發表於 10-4-2006 00:27:14 | 顯示全部樓層

27 trx 08-01-

27 trx 08-01-
27 trx 08-01-.jpg
 樓主| 發表於 11-4-2006 12:44:38 | 顯示全部樓層

27

27
375-.jpg
 樓主| 發表於 11-4-2006 12:59:30 | 顯示全部樓層

27

27
108.jpg
 樓主| 發表於 12-4-2006 09:18:27 | 顯示全部樓層

27 trx 09-01-

27 trx 09-01-
27 trx 09-01-.jpg
 樓主| 發表於 12-4-2006 09:46:20 | 顯示全部樓層

27 trx 09-02-

27 trx 09-02-
27 trx 09-02-.jpg
您需要登錄後才可以回帖 登錄 | 立即註冊

本版積分規則

中華業餘無線電研究會 - 業餘無線電考試(筆試)班

手機版|小黑屋|存檔|VR2GY 網站

GMT+8, 12-4-2026 08:33 , Processed in 0.504433 second(s), 19 queries , Gzip On.

本討論區基於 Discuz! X3.5

版權所有 © 2005-2026 VR2GY.com,保留一切權利


重要聲明:本討論區是以即時上載留言的方式運作,VR2GY.com 對所有留言的真實性、完整性及立場等,不負任何法律責任。而一切留言之言論只代表留言者個人意見,並非本網站之立場,讀者及用戶不應信賴內容,並應自行判斷內容之真實性。於有關情形下,讀者及用戶應尋求專業意見(如涉及醫療、法律或投資等問題)。 由於本討論區受到「即時上載留言」運作方式所規限,故不能完全監察所有留言,若讀者及用戶發現有留言出現問題,請聯絡我們。VR2GY.com 有權刪除任何留言及拒絕任何人士上載留言(刪除前或不會作事先警告及通知),同時亦有不刪除留言的權利,如有任何爭議,管理員擁有最終的詮釋權。用戶切勿撰寫粗言穢語、誹謗、渲染色情暴力或人身攻擊的言論,敬請自律。本網站保留一切法律權利。

快速回復 返回頂部 返回列表