找回密碼
 立即註冊
搜索
查看: 13118|回復: 9

三相直流無刷馬達控制及驅動實驗

[複製鏈接]
發表於 27-10-2013 00:58:19 | 顯示全部樓層 |閱讀模式
  • Arduino 為主邏輯控制級
  • DIY 驅動級連 shoot-through 保護及 PWM 訊號整合線路
  • 驅動小型模型用三相直流無刷馬達, 無 hall-effect sensor


  • 先入門做不作相位回輸的驅動邏輯
  • 下一步做相位回輸
  • 再下一步做電流回輸以作貼合馬達特性的控制


此帖將不時更新
 樓主| 發表於 27-10-2013 01:12:58 | 顯示全部樓層
原理解說:
http://www.edn.com/design/sensors/4406682/Brushless-DC-Motors---Part-I--Construction-and-Operating-Principles



 樓主| 發表於 27-10-2013 01:47:13 | 顯示全部樓層
本帖最後由 VR2ULR 於 27-10-2013 01:48 編輯

要打穏基礎
http://youtu.be/ZAY5JInyHXY

_2013-10-27_01-47-46.jpg
 樓主| 發表於 31-10-2013 02:16:18 | 顯示全部樓層
本帖最後由 VR2ULR 於 31-10-2013 02:31 編輯

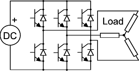
「三半橋式」驅動級原理圖:

出處: http://forum.allaboutcircuits.com/showthread.php?t=17266

出處: http://forum.allaboutcircuits.com/showthread.php?t=17266



 樓主| 發表於 31-10-2013 02:32:39 | 顯示全部樓層
本帖最後由 VR2ULR 於 31-10-2013 02:36 編輯

shoot-thru2.png

shoot-thru.png
 樓主| 發表於 31-10-2013 02:51:37 | 顯示全部樓層
本帖最後由 VR2ULR 於 31-10-2013 02:52 編輯

half-drigde.png
_2013-10-31_02-50-47.png

 樓主| 發表於 3-11-2013 06:28:44 | 顯示全部樓層
Arduino UNO 實驗板 和 DIY VR+SW 板
DSC_0270.jpg

 樓主| 發表於 3-11-2013 06:30:53 | 顯示全部樓層
DIY 輸出級 及 小型的 sensorless 三相無刷馬達
DSC_0271.jpg

 樓主| 發表於 3-11-2013 06:49:30 | 顯示全部樓層
本帖最後由 VR2ULR 於 3-11-2013 22:43 編輯

DSC_0271.jpg
 樓主| 發表於 3-11-2013 11:10:51 | 顯示全部樓層
本帖最後由 VR2ULR 於 3-11-2013 22:43 編輯

DSC_0310.jpg


您需要登錄後才可以回帖 登錄 | 立即註冊

本版積分規則

中華業餘無線電研究會 - 業餘無線電考試(筆試)班

手機版|小黑屋|存檔|VR2GY 網站

GMT+8, 30-10-2025 02:54 , Processed in 0.041959 second(s), 21 queries , Gzip On.

本討論區基於 Discuz! X3.5

版權所有 © 2005-2025 VR2GY.com,保留一切權利


重要聲明:本討論區是以即時上載留言的方式運作,VR2GY.com 對所有留言的真實性、完整性及立場等,不負任何法律責任。而一切留言之言論只代表留言者個人意見,並非本網站之立場,讀者及用戶不應信賴內容,並應自行判斷內容之真實性。於有關情形下,讀者及用戶應尋求專業意見(如涉及醫療、法律或投資等問題)。 由於本討論區受到「即時上載留言」運作方式所規限,故不能完全監察所有留言,若讀者及用戶發現有留言出現問題,請聯絡我們。VR2GY.com 有權刪除任何留言及拒絕任何人士上載留言(刪除前或不會作事先警告及通知),同時亦有不刪除留言的權利,如有任何爭議,管理員擁有最終的詮釋權。用戶切勿撰寫粗言穢語、誹謗、渲染色情暴力或人身攻擊的言論,敬請自律。本網站保留一切法律權利。

快速回復 返回頂部 返回列表