找回密碼
 立即註冊
搜索
查看: 14750|回復: 12

80米波--3.5 mhz 無線電測向-獵狐

[複製鏈接]
發表於 10-5-2007 08:22:01 | 顯示全部樓層 |閱讀模式
3.5 mhz  無線電測向-獵狐
001.jpg
 樓主| 發表於 10-5-2007 09:03:10 | 顯示全部樓層

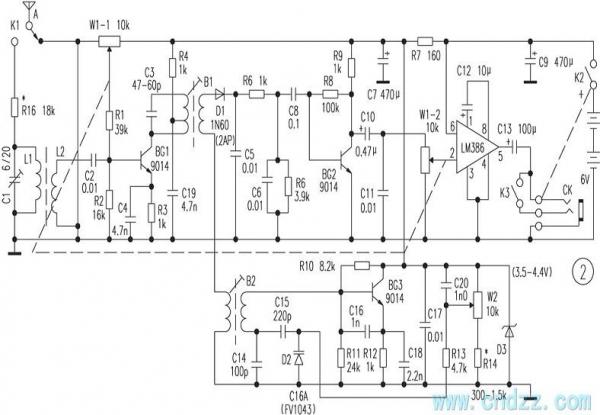
PJ-80測向機電路原理

PJ-80測向機電路原理
本機為普及型80波段直放式測向機。具有電路簡單、成本低、便於安裝調式、運行性能好等特點,非常適合在學生中開展短距離無線電測向活動時裝配使用。
一、主要性能要求:
(一)頻率範圍:3.4—3.62MHz
(二)靈敏度:不劣於2mV/m
(三)方向性:距80波段測向信號源0.5能分辨出雙向;單向分辨距離不大於3
二、電路方框圖
1.
方框圖:
測向
高放
差拍檢波
低放
功放

天線 BGI DI BG2 LM386
可調差拍振盪器BG3
PJ—80
型測向機由測向天線、高頻放大級、可調差拍振盪器、差頻檢波器、低頻放大級、功率放大級及耳機等組成,方框圖見圖。
三、工作原理
從方框圖可見,PJ-80型測向機沒有本振級和中放級,在電路程式上和信號上處理上,與超外差式測向機有一定的區別。
工作原理:測向天線接收到3.5-3.6MHz的等幅電報信號後。送至高頻放大級進行放大。放大後的信號與可調差拍振盪器產生的1.75-1.8MHz振盪信號的二次諧波一起加到差頻檢波級。調整差拍振盪器的頻率,使其產生比接收信號高工低1KHz的信號。此信號與高放輸出信號進行差頻檢波,得到1KHz的低頻信號。然後再送至低頻放大級和功率放大級加以放大,最後送至耳機,我們即可是收聽到電報信號了。可見,在信號處理上,本機並不像超外差式測向機那樣,設有兩個振盪器:一個是本機振盪器,產生比外來接收信號高或低465KHz高頻振盪信號,與高放信號混頻後,得到一個465KHz的中頻信號,再進行中頻處理;另一個是差拍振盪器,產生比465KHz中頻信號高或低1KHz的振盪信號,與中放輸出信號差出1KHz的低頻信號。而現在,我們只用了一個振盪器,就直接差出了低頻信號,同時起到了選台和差拍作用,省略了中頻轉換和處理。大大簡化了電路。
四、電路分析
整機電原理圖見圖3-24
(一)測向天線部分由直立天線A、單雙向轉換開關K1、調相電阻R15、磁性天線L1L2及調諧電容C1等組成。L1C1開聯,調整C1、使天線回路諧振於3.53MHz
(二)高頻放大級由電晶體BG1、偏置電阻R1-R4、耦合電容C2、諧振電容C3、旁路電容C4、及高放線圈B1等組成。B1的初級線圈與C3並聯,調整B1磁芯,諧振於3.57MHz,這樣即可與天線回路的諧振頻率3.53MHz進行參差調諧,使整個高頻放大麯線在3.5-3.6MHz的接收頻率範圍內均較平緩,即高放增益較均勻,見圖3-25。為使測向機在近台區強信號時,高放級不出現阻塞現象,仍能維持正常的放大並保持良好的方向性,我們採用控制高放級工作點(調節W1-1)來控制高放增益。此辦法不僅可省略衰減開關,無需選用具有AGC特性的高頻三極管,而且可獲得非常寬的增益控制範圍。不過,改變工作點會造成一定的失真,但由於我們接收的是電報信號,在聽覺上不會有太大的影響。
(三)可調差拍振盪器由電晶體BG3、差拍振盪器線圈B2、變容二極體D2、回路電容C14、C15、C16、C18及直流偏置電阻R10、R14、W2等組成,這是一個典型的串聯型電容二點式振盪電路。
本機採用電調諧方式,即通過改變加在變容二極體D2上的偏置電壓來改變D2兩端的電容量,達到改變振盪頻率的目的。W2、R13、R14組成變容二極體D2的偏置電路,調節W即可改變振盪頻率。為得到較寬的頻率變化範圍,可選用電容量變化大的變容二極體,也可改變R13、R14的阻值。
為提高電路的頻率穩定性,採取了兩點措施:一是選擇溫度係數較小的電容做回路諧振電容C14、C15;二是設穩壓管D3來穩定振盪器的工作電壓。
(四)差頻檢波器由檢波管D1、RC型濾波電路C5、C6、R5及檢波負載R6組成。其中,檢波管是一個具有單向導電性的非線性器件。利用它,可使兩個不同頻率的信號產生出許多新的頻率成份。例如:除原有的兩個頻率外,還有兩頻率之和、兩頻率之差……等等。這裏只有一個頻率成份是我們所需要的,經高放後的外來信號頻率與差拍振盪器頻率的二次諧波之差(約1KHz)。RC型濾波電路是為了濾除檢波後的高頻成份,使在R6上獲得低頻電壓。
(五)低頻放大級由BG2、R3、R9、C8、C10等組成。
其中R8、R9為電壓負反饋偏置電路,C6、C10均為耦合電容。放大後的信號經C10耦合至積體電路*LM386進行功率放大C12為回饋電容,當C12=10μF時,LM386的電壓增益可達成協定100倍。電位器W1-2與高放級W1-1同軸控制,調節W1-2可改變輸出信號的大小,C13為輸出耦合電容。
CK為耳機插座兼電源開關。
*LM386屬於OTL(無輸出變壓器)的8腳功放積體電路。有功率廣大的作用.
 樓主| 發表於 10-5-2007 09:07:27 | 顯示全部樓層

3.5 mhz 無線電測向-獵狐

80-010.jpg
 樓主| 發表於 10-5-2007 09:08:01 | 顯示全部樓層

3.5 mhz 無線電測向-獵狐

80-011.jpg
發表於 12-5-2007 10:08:02 | 顯示全部樓層
獵狐漫畫

[ 本帖最後由 VR2UIO 於 12-5-2007 10:11 AM 編輯 ]
Fox_01.jpg
 樓主| 發表於 12-5-2007 23:06:20 | 顯示全部樓層

無線電測向-獵狐

01-204.jpg
發表於 22-5-2007 11:33:26 | 顯示全部樓層

PJ-80型 測向機

PJ_80_A.jpg
PJ_80_B.jpg
發表於 22-5-2007 11:35:07 | 顯示全部樓層

PJ-80型 測向機

PJ_80_C.jpg
PJ_80_D.jpg
 樓主| 發表於 19-6-2007 00:09:22 | 顯示全部樓層

3.5 mhz 無線電測向-獵狐

01-0 1-013.jpg
 樓主| 發表於 19-6-2007 00:15:56 | 顯示全部樓層

3.5 mhz 無線電測向-獵狐

01-0 1-014.jpg
您需要登錄後才可以回帖 登錄 | 立即註冊

本版積分規則

中華業餘無線電研究會 - 業餘無線電考試(筆試)班

手機版|小黑屋|存檔|VR2GY 網站

GMT+8, 18-4-2026 09:59 , Processed in 0.594948 second(s), 21 queries , Gzip On.

本討論區基於 Discuz! X3.5

版權所有 © 2005-2026 VR2GY.com,保留一切權利


重要聲明:本討論區是以即時上載留言的方式運作,VR2GY.com 對所有留言的真實性、完整性及立場等,不負任何法律責任。而一切留言之言論只代表留言者個人意見,並非本網站之立場,讀者及用戶不應信賴內容,並應自行判斷內容之真實性。於有關情形下,讀者及用戶應尋求專業意見(如涉及醫療、法律或投資等問題)。 由於本討論區受到「即時上載留言」運作方式所規限,故不能完全監察所有留言,若讀者及用戶發現有留言出現問題,請聯絡我們。VR2GY.com 有權刪除任何留言及拒絕任何人士上載留言(刪除前或不會作事先警告及通知),同時亦有不刪除留言的權利,如有任何爭議,管理員擁有最終的詮釋權。用戶切勿撰寫粗言穢語、誹謗、渲染色情暴力或人身攻擊的言論,敬請自律。本網站保留一切法律權利。

快速回復 返回頂部 返回列表