找回密碼
 立即註冊
搜索
樓主: VR2GY

鋰離子 電池 充電器 的原理和制作

[複製鏈接]
發表於 3-9-2007 14:15:36 | 顯示全部樓層
GY,那款鋰電池有一塊保護板在內,充電接口是接在保護板上,另7R的接口是直接接在電池上的正負極
 樓主| 發表於 4-9-2007 00:42:55 | 顯示全部樓層

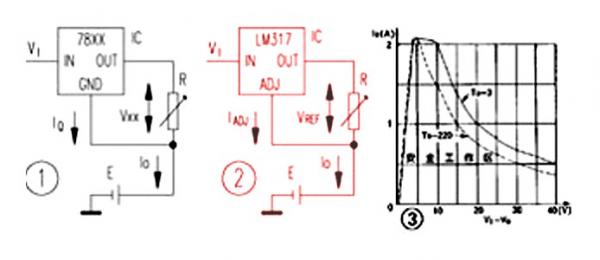
鋰離子 電池 充電器 的原理和制作

恒流充電器

對可充電電池進行恒流充電,用三端穩壓積體電路構成恒流充電電路具有元件易購、電路簡單的特點。
有些讀者在設計電路時採用78××穩壓塊。78××雖然可接成恒流電路,但恒流效果不如LM317,前者是固定輸出穩壓IC,後者是可調輸出穩壓IC,兩種晶片的售價又相近,採用LM317才是更為合理的改進。

圖1、圖2分別是用78××和 LM317構成的恒流充電電路,兩種電路構成形式一致。對於圖1的電路,輸出電流Io=Vxx�R+IQ,式中Vxx是標稱輸出電壓,IQ是從GND端流 出的電流,通常IQ≤5mA。當VI、Vxx及環境溫度變化時,IQ的變化較大,被充電電池電壓變化也會引起IQ的變化。
IQ是Io的一部分,要流過電 池,IQ的值與Io相比不可忽略,因而這種電路的恒流效果比較差。
對於圖2的電路,輸出電流Io=VREF�R+IADJ,式中VREF是基準電壓,為 1.25V,IADJ是從調整端ADJ流出的電流,通常IADJ
≤50μA。雖然IADJ也隨VI及環境條件的變化而變化,且也是Io的一部分,但由於 IADJ僅為78××的IQ的1%,與Io相比,IQ可以忽略。可見LM317的恒流效果較好。
78××與LM317內部均有限流、過熱保護功能,後者還有安全工作區保護功能。78××不允許GND端懸空,否則器件極易損壞。LM317即使ADJ端懸空,各種保護功能仍然有效。
LM317 採用T0-3金屬氣密封裝的耗散功率為20W,採用TO-220塑封結構的耗散功率為15W,負載電流均可達1.5A,使用時需配適當面積的散熱器。
由於LM317的VREF=1.25V,其最小壓差為3V,因此輸入電壓VI達4.25V就能正常工作。但應注意輸出電流Io調得較大時,輸入電壓VI的範圍 將減小,超出範圍會進入安全保護區工作狀態,使用時可從圖3的安全工作區保護曲線上查明輸入—輸出壓差(VI-Vo)的範圍。
 樓主| 發表於 4-9-2007 00:46:26 | 顯示全部樓層

鋰離子 電池 充電器 的原理和制作

未命名 - 42.jpg
 樓主| 發表於 5-9-2007 12:27:08 | 顯示全部樓層

鋰離子 電池 充電器 的原理和制作 鋰離子 電池 充電器 的原理和制作

聚合物鋰電比同等規格的鋼殼液鋰鋰離子電池
安全性能好:外包裝為鋁塑包裝,有別於液態鋰電的金屬外殼,由於採用軟包裝技術,內部品質隱患可立即通過外包裝變形而顯示出來,一旦發生安全隱患,不會爆炸,
重量輕:聚合物鋰電比同等規格的鋼殼液鋰輕40%,比鋁殼液鋰輕20%;
容量大:聚合物比同等規格的鋼殼液鋰容量高10-15%,比鋁殼液鋰容量高5-10%;
內阻小:目前產品內阻能夠作到20mΩ以下,使電池容量能夠更大發揮,相同的容量,在有的設計中,會因內阻大小不同,使用時間相差20-50%;
形狀可定制:可根據客戶的要求靈活定制電池的長寬高;
放電特性佳:聚合物鋰電採用膠態電解質,具有更平穩的放電特性和更高的放電平臺.
 樓主| 發表於 5-9-2007 13:33:42 | 顯示全部樓層

二次電池簡單的比較

 樓主| 發表於 5-9-2007 13:35:17 | 顯示全部樓層

二次電池簡單的比較

 樓主| 發表於 5-9-2007 18:43:00 | 顯示全部樓層

鋰離子 電池 充電器 的原理和制作

未命名 - 17.jpg
 樓主| 發表於 5-9-2007 19:40:20 | 顯示全部樓層

鋰離子 電池 充電器 的原理和制作

未命名 - 24.jpg
 樓主| 發表於 6-9-2007 10:34:47 | 顯示全部樓層

鋰離子 電池 充電器 的原理和制作

鋰離子 電池 充電器 的原理和制作
一,筆記型電腦電池裡面裝什麼東西?

筆記型電腦分為三個主要的部分,第一是電池芯,種類包括18650圓柱形鋰離子電池,方形鋰離子電池,鋰高分子電池等,由於筆電的電池要經由6到9顆的電 池芯串並聯,所以電池的電壓要保持一致串並聯之後才會穩定,對的品質要求嚴格,其中日系廠Sanyo, Panasonic, Sony出產的電池芯品質最佳,近年來韓系的Samsung及 LG也有一定的水準,超級電池的電池芯大都是用日本廠的鋰電芯所製成的。(少數電池芯會採用韓系的高品質電池芯)

第二是保護電路板,鋰電池的保護電路,可以使得鋰電池不會因充電過多而產生危險。一般人聞之色變的鋰電池爆炸多是因為保護電路設計不當,造成電池過度充電後產生高溫,最後導致爆裂的情形。所以買筆電電池,一定要找品質好的電池,千萬不可貪便宜寧。超級電池的電路保護板可確保電池的安全。

電路保護板上還有一顆電源管理IC(Gas gauge),用來把電池的使用訊號告知筆電的主機,就像一個翻譯官、記錄官,把電池的訊號翻譯給筆電知道,並記下電池充放電的資料,到底是電剛充好了還是電快用完了,所以主機可以完全掌握電池的狀況。這種電池很聰明,我們叫它是Smart Battery。超級電池的晶片可以和原廠筆電100%相容,都是Smart Battery。

第三是各種保護元件,包括NTC熱敏電阻是用來偵測電池組的溫度,如果電阻發現溫度太高就會使Thermostat(溫度開關)強制動作,切斷電流,這二 種元件多用在過去的鎳氫電池中。溫度保險絲則可用在各種電池中,它在溫度超過90度時或電流過大時會自動燒斷,防止高溫爆炸的發生。限流開關Poly Swich也是用來保護電池的,會在電流過大和高溫時切斷電源。

第四就是電池的外殼(BatteryPack),通常是由電池廠開模製造,要有精密的開模能力,開出來的模子才能百分之百的密合到筆電上,否則裝卸電池時,會因為外殼的模子和原廠筆電不密合,產生太緊或太鬆的現象,甚至導致不當的震動和磨擦。超級電池嚴選模具,可以100%和筆電密合
二,如何解讀Li-ion, 14.4V, 4800mAh的電池規格?

看懂規格其實很簡單,Li-ion代表鋰電池,如果是Ni-MH就是代表鎳氫電池,Li-polymer代表鋰高分子電池。
   14.8v是代表電壓,通常一顆18650的鋰電是3.7v,所以14.8v就是有4顆3.7v的電池串聯而成的,所以您如果看到電池是11.1v的就是 代表3顆3.7v的電池串聯而成的。有些電池芯的電壓是3.6v的,那麼4s就是14.4v,3s就是10.8v。
   4800mAh代表電容量,目前18650型號的鋰離子電池,每顆的電容量為1800mAh-2400mAh,用於筆電時,通常是三顆電池並聯,所以電池的容量就是5400mAh-7200mAh。
三,新買的電池如何充電?

每個電池都會附上一組ACto DC 的變壓器(Adapter),只要把電池裝好到筆電之中,再接上變壓器,就可以開使充電了,直到充滿電了,電池內部的電源管理晶片就會自動偵測出來,停止充電的功能。但若是一面充電一面使用筆電,那麼充電的時間就自然會比較長。

第一次使用的電池或保存很久沒有使用再度使用時,先充電足14小時再開機使用。這是避免低電壓狀況下,如果開機使用、有可能瞬間電壓拉低至2.0伏特以下導致鋰電池失效不能使用或減短使用壽命。
四,電池要完全用完電再充電嗎?

目前技術可以使鋰離子電池沒有記憶效應,再加上電源管理ic對電池的偵測做管理及記錄,電池在理論上是可以隨時充放電的,但是為了使電池芯內部的化學材料的活性可以充分發揮,建議有時後要將電池完全用完電之後再充飽電。
五,電池組充完電之後很快就沒電了是什麼原因?

有二種原因會造成電池組的用電時間很短,一個是電池的使用年限到了,一般電池的夀命約是充放電500次,超過這個週期之後使用時間會愈來愈短,這時候就該換新的電池了。

此外,電池芯最長的夀命為二年,在二年之中即使電池都沒有被使用,一樣會失效,所以不要認為少用電池可以節省它的夀命。

電池出現很快沒電的現象,有另外一種原因就是使用方法不對,比方說在取下電池的時候,電池的正負極端子短路,電池長期在過高溫的環境下,或變壓器的使用不當等,電池的使用不當嚴重時會影響筆電主機的功能,所以要很注意。
六,電池的充放電次數?

可充電鋰電池充電全滿時、電壓約為4.2伏特,耗電時電壓會下降、但不宜低於約2.5伏特,保存電壓或出廠電壓約為3.6至3.7伏特。使用壽命主要關鍵為充電次數,優良的可充電鋰電池約有500次以上的壽命(從2.5伏特充電至4.2伏特算一次、1.5倍電池容量充電電流為基準)。
七,充電器的選擇正確才不會減損電池夀命

如果充電電壓超過4.3伏特以上,有爆炸的危險。電池電壓低於2.0伏特,則鋰電池無法再使用或充電。過大的充電或放電(使用)電流會減損鋰電池的壽命或不可預期的事故。


所有可充電鋰電池都會有"充電管理IC",用以限制充電及放電電壓,以確保不超過安全電壓、致電池爆炸及避免低於2.5伏特、致電池壽命提前結束。但充電電流則由各廠自行設計,依據電流大小而有所謂快充或慢充模式;然大電流的充電模式通常有損使用壽命。固然有「充電管理IC」及充電安全電流設計,為防止爆炸或不可預期的結果,必須使用和原廠完全相容並有充電安全設計的充電器。


除了"充電管理IC"外,為了增強安全、溫度或保險絲保護裝置皆為各廠所採用,當然非原廠低劣鋰電池組偶有傳出偷工減料,致引發意外的新聞、消費者尤須注意。

八,電池要經常充電

鋰電池與鎳氫電池不同並無記憶效應,不要等到沒電時才充電,而是要經常充電。這也是避免低電壓狀況下,瞬間將電壓拉低至2.0伏特以下,導致鋰電池失效不能使用或減短使用壽命。相反的,在電壓高充電至4.2伏特的充電次數,比標準充電次數多,有助於延長使用壽命。


通常廠商會建議不要連續充電時間超過若干時間,這是為防止充電電壓高於4.3伏特以上時產生爆炸的積極建議。但是基於產品特性,需要連續使用及待機考量,在開機情況下可以持續充電而電池電壓會保持在最佳狀態,有助於延長使用壽命。
九,若有一段時間不使用電池時....

通常廠商會建議若干期間至少須使用或充電若干時間,這是為防止自然放電、鋰電池電壓低於2.0伏特,導致鋰電池失效不能使用或減短使用壽命 ; 建議每週至少開機使用並充電8小時。


通常廠商會建議長時間不使用時應將電池充至70- 80%。這也是為防止自然放電、鋰電池電壓低於2.0伏特,導致鋰電池失效不能使用或減短使用壽命。長時間不使用,則建議在不開機下連續充電24小時後再行保存,但不要超過3個月不使用。

鋰電持沒電後,又長時間不使用時,會導致鋰電持失效不能使用。經常把鋰電池電量耗盡的使用方式比經,常充電的使用方式,其壽命至少短一半以上。

即使廠商設計再完美,使用仍需用戶掌握配合以上要點,才會得心順手。鋰電池應用產品的製造商做好防止電壓過高及應有說明的工作,但防止電壓過低及延長壽命的責任,只有使用者自己能掌握讓鋰電池常保“滿電位” 是延壽的不二法門。
 樓主| 發表於 6-9-2007 16:48:54 | 顯示全部樓層

鋰離子 電池 充電器 的原理和制作

單節保護板(雙保)
特點:雙重保護功能
功能說明:一.電池過充保護功能:對電池充電,當電池電壓充到過充檢測電壓(4.275±0.025V)時,保護電路動作,切斷充電通路,實現過充保護。
二.電池過放保護功能:接通負載,讓電池放電,當電池電壓下降到過放電壓(2.5±0.08V)時,保護電路動作,關斷放電通路,實現過放保護。
三.短路保護功能:當正負極短路時,保護電路會迅速動作,切斷通路,實現短路保護。
四.過流保護功能:當輸出電流超過設定的最大電流值時,保護電路會在延時10ms後動作,切斷通路,實現過流保護。
備註:以上功能,當一級保護失效時,會啟動二級保護功能。
您需要登錄後才可以回帖 登錄 | 立即註冊

本版積分規則

中華業餘無線電研究會 - 業餘無線電考試(筆試)班

手機版|小黑屋|存檔|VR2GY 網站

GMT+8, 9-4-2026 18:34 , Processed in 0.037225 second(s), 18 queries , Gzip On.

本討論區基於 Discuz! X3.5

版權所有 © 2005-2026 VR2GY.com,保留一切權利


重要聲明:本討論區是以即時上載留言的方式運作,VR2GY.com 對所有留言的真實性、完整性及立場等,不負任何法律責任。而一切留言之言論只代表留言者個人意見,並非本網站之立場,讀者及用戶不應信賴內容,並應自行判斷內容之真實性。於有關情形下,讀者及用戶應尋求專業意見(如涉及醫療、法律或投資等問題)。 由於本討論區受到「即時上載留言」運作方式所規限,故不能完全監察所有留言,若讀者及用戶發現有留言出現問題,請聯絡我們。VR2GY.com 有權刪除任何留言及拒絕任何人士上載留言(刪除前或不會作事先警告及通知),同時亦有不刪除留言的權利,如有任何爭議,管理員擁有最終的詮釋權。用戶切勿撰寫粗言穢語、誹謗、渲染色情暴力或人身攻擊的言論,敬請自律。本網站保留一切法律權利。

快速回復 返回頂部 返回列表